-
В корзине пусто!
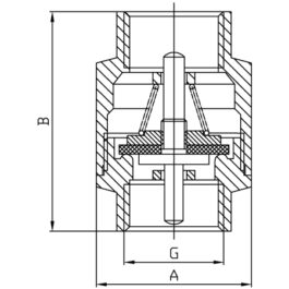
Обратный Клапан Koer (ВН) 1"
- Производитель: KOER
- Код товара: 925-01
- Доступность: На складе
472.00грн.
Без НДС: 472.00грн.
Клапан обратный пружинный предназначен для установки на гидравлических и пневматических трубопроводных сетях и пропуска транспортируемой среды только в одном направлении (указанном стрелкой ...
Купить в 1 клик
Пожалуйста укажите Ваш номер телефона
Клапан обратный пружинный предназначен для установки на гидравлических и пневматических трубопроводных сетях и пропуска транспортируемой среды только в одном направлении (указанном стрелкой на корпусе клапана). В качестве транспортируемой среды может использоваться сжатый воздух, холодная и горячая вода и прочие жидкости, неагрессивные к материалу клапана.

| Размеры, G | 1/2″ | 3/4″ | 1″ | 1-4/4″ | 1-1/2″ |
| A, мм | 33,5 | 41 | 45 | 57,5 | 66 |
| B, мм | 46,5 | 54,5 | 59,5 | 65,5 | 73 |
| Рабочее давление, бар | до 40 | до 40 | до 35 | до 30 | до 27 |
| Минимальное рабочее давление, бар | 0,05 | ||||
| Минимальный перепад давлений открытия клапана, бар | 0,025 | ||||
| Интервал температур рабочей среды, ℃ | -20 ÷ +90 | ||||
| Минимальный перепад давления закрытия клапана, бар | 0,05 | ||||
| Средний полный срок службы, лет | 15 | ||||
| Материал корпуса | Латунь CW617N | ||||






































